Hahnenfußschlüssel | Antrieb Innenvierkant 12,5 mm (1/2") | SW 25 mm BGS1757-25
Details
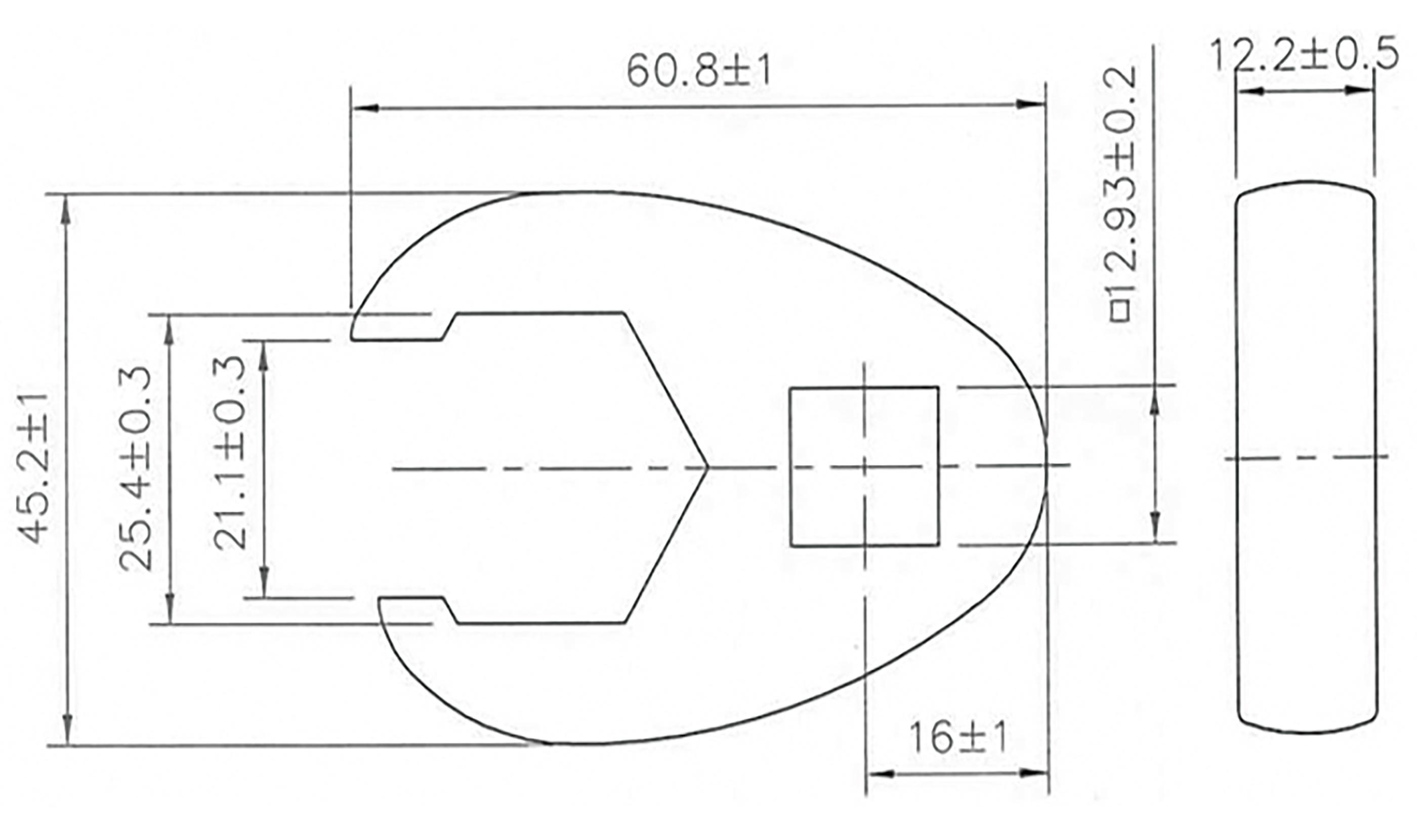
Abtriebsprofil: Sechskant$Antriebsprofil: Innenvierkant$Antriebsprofilgröße, imperial: 1/2 "$Antriebsprofilgröße, metrisch: 12,5 mm$Bruttogewicht: 72 g$Material: Chrom-Molybdän-Stahl$Oberflächenvergütung: Verchromt, matt$Schlüsselweite: 25 mm$Verpackung für Wandbehang geeignet: Ja
Weitere Informationen
| Preis | 14,15 € |
|---|---|
| Menge | Stück |
Bewertungen
Schreiben Sie eine Bewertung
