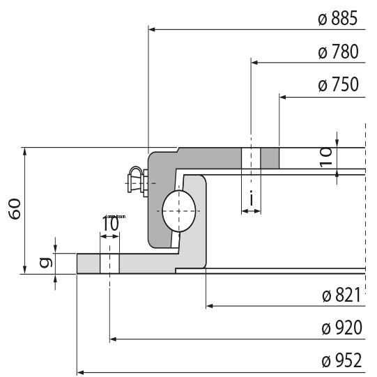
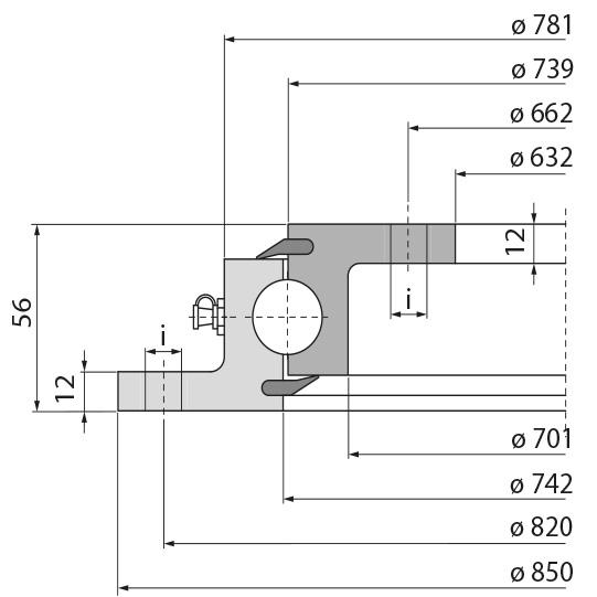
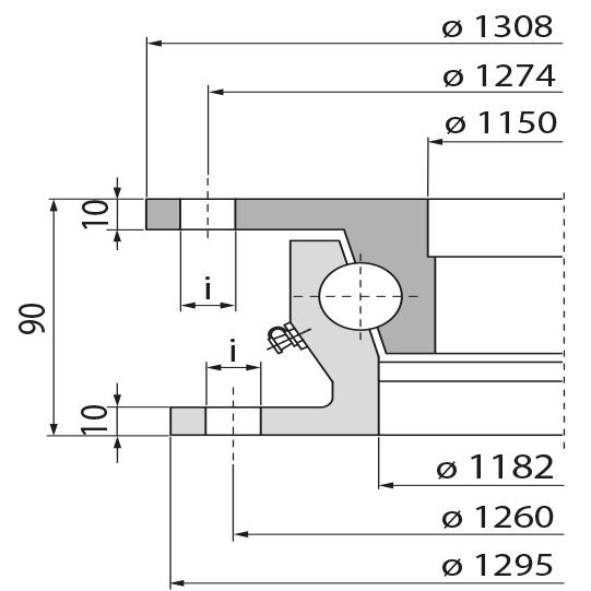
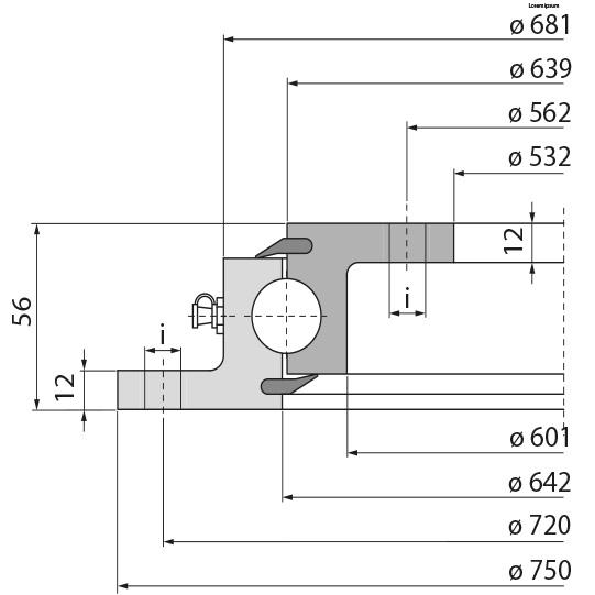
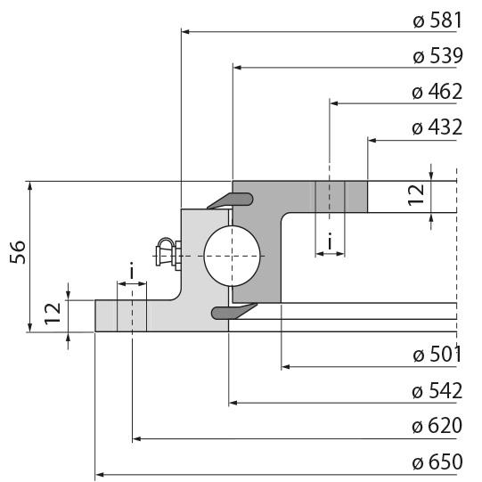
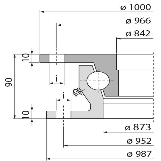
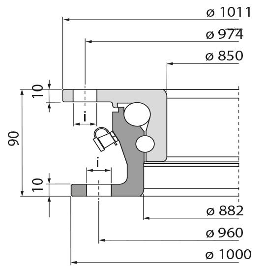
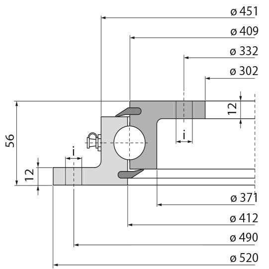
Kugellenkkranz

Filter
Anzeigen als Liste Liste

Artikel 1-36 von 44

Absteigend sortieren
Seite
pro Seite